

AQUAFUZE™インク

UV-LEDインク

UV-LEDインク

UV-LEDインク

UV-LEDインク

UV-LEDインク

MPインク

MPインク

エコソルベントインク

エコソルベントインク

エコソルベントインク

エコソルベントインク

エコソルベントインク

RIPソフトウェア

ソリューション

A1用紙

A2用紙

A1用紙

A2/A3用紙

黒板

A1用紙

A1用紙

A2用紙

A2用紙

A0/A1/B1製図板

A1/B1製図板

A1/B1製図板

A1/B1製図板

A1/B1製図板











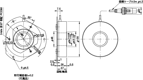
エンコーダ
シャフトエンコーダのようにカップリングの必要もなく装置にフィットした形で取り付けられ、軸回転を高精度に読み取ります。
測長用は機械の回転軸に合わせて、大・中・小・超小型の6種類を用意。角度用には60進法で30秒/1分/5分の高分解能を備えた3機種を用意しています。
中空軸の採用でスペースを取らず、コンパクトなシステム設計が可能です。また外部のほこりを寄せつけない堅牢なケーシングで保護され、過酷な環境にも耐えられる設計。あらゆる用途に幅広くお使いいただけます。
| 機種名 | 測長用 | ||||||
|---|---|---|---|---|---|---|---|
| UN | MH | S | NS | C | NB | O | |
![]() |
![]() |
![]() |
![]() |
![]() |
![]() |
![]() |
|
| 軸内径 | φ8 | φ10 | φ23 (+0.15/+0.10) |
φ30 | φ35 (+0.15/+0.10) |
φ40 (+0.02/0) |
φ23 |
| パルス数 | 50 100 125 360 1,000 2,000 |
100 200 250 300 360 400 500 600 800 1,000 1,024 1,200 1,500 1,800 2,000 |
100 600 |
180 200 360 400 500 600 1,000 1,800 2,000 4,000 5,000 5,400 9,000 |
100 500 |
150 200 500 |
100 600 |
| 電源 | DC4.5~13V (24Vオプション) |
DC4.5~26V | DC4.5~13V (24Vオプション) |
DC4.5~26V | DC4.5~13V |
DC4.5~26V | |
| 出力信号相 | A、B、Z相 | A、B相 | |||||
| 出力形態 | オープンコレクタ | V:コンプリメンタリ C:オープンコレクタ(オプション) |
電圧出力 プルアップ抵抗2.2kΩ(オープンコレクタ/オプション)(ラインドライバ/オプション) |
V:コンプリメンタリ C:オープンコレクタ(オプション) |
オープンコレクタ | V:コンプリメンタリ C:オープンコレクタ(オプション) |
|
| 許容回転数 | 3,000min−1 ※1 |
6,000min−1 ※1 |
700min−1 | 1,000min−1 ※1 |
700min−1 | 1,000min−1 ※1 |
700min−1 |
| 起動トルク | 5×10−3N・m | 50×10−3 N・m |
58.8×10−3 N・m |
80×10−3 N・m |
50×10−3 N・m |
250×10−3 N・m |
|
| 質量(ケーブル含む) | 70g | 200g | 400g | 400g | 600g | 500g | |
| 伝送距離 | 15m以下 | ||||||
| 出力ケーブル | 2mφ3 (先端未処理) |
2mφ4.2 (DIN8Pコネクタ付き) |
2mφ5.3 (DIN8Pコネクタ付き) |
2mφ 4.2(DIN8Pコネクタ付き) |
2mφ5.3 (DIN8Pコネクタ付き) |
2mφ4.2 (DIN8Pコネクタ付き) |
2mφ5.3 (DIN8Pコネクタ付き) |
| オプション | TC-1 | ー | |||||
| 機種名 | 角度用 | |
|---|---|---|
| A | NH-10800 | |
![]() |
![]() |
|
| 軸内径 | φ12 | φ36 |
| パルス数 | 2,160 5,400 |
10,800 |
| 電源電圧 | DC4.5~26V | DC4.5~13V |
| 出力信号相 | A、B相 | |
| 出力方式 | 電圧出力 (コンプリメンタリ) |
電圧出力 プルアップ抵抗2.2KΩ |
| 許容回転数 | 200min−1 | 1,000min−1 ※1 |
| 起動トルク | 50×10−3N・m | 40×10−3N・m |
| 質量 | 400g | 520g |
| 伝送距離 | 15m以下 | |
| 出力ケーブル | 2mφ5.3 (DIN8Pコネクタ付き) |
2mφ4.2 (DIN8Pコネクタ付き) |
| オプション | ー | |
Copyright©MUTOH INDUSTRIES LTD. All Rights Reserved.
本ウェブサイトではお客様の行動履歴情報、属性情報などの取得のための機能を利用しております。
各機能の詳細についてはプライバシーポリシーからご確認ください。








